VERDİĞİM DERSLER










İmalat İşlemleri| 01
İmalat Ders İçeriği | 01
Makine Teknikerliğinin temel özelliklerinden olan talaşlı imalat tekniklerine ait aşağıdaki bilgi ve beceri işlemleri bu dersin kapsamıdır;
-
Üniversal Torna Tezgahlarında Temel Tornalama
-
Üniversal Freze Tezgahlarında Temel Frezeleme
-
Sütunlu Matkap Tezgahları ile Delme
-
Ayarlanabilir Ölçme ve Kontrol Aletleri
-
Zımpara Taşlarında Kesici Aletlerin Bilenmesi,
-
Sökülemez Birleştirme Elemanları,
-
Temel Kaynak İşlemleri.






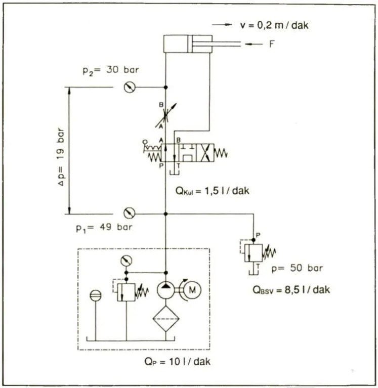
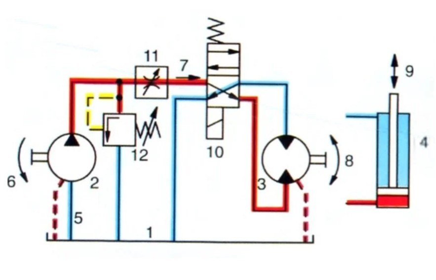
Hidrolik Pnömatik Sistemler| 02
Hidrolik Ders İçeriği | 02
Hidrolik devre elemanlarını tanımak hidrolik devre şeması oluşturmak Hidrolik Sistemlerin arızalarını tespit etmek hidrolik arızaları gidermek Pnömatik devre elemanlarını tanımak Elektropnömatik sistemleri oluşturmak Pnömatik sistemlerin arızalarını tespitetmek Pnömatik arızaları gidermek Sistemlerin periyodik bakımlarını yapmak Arıza tespiti yapmak Arızalanan makinanın onarımını yapmak sistemlerin periyodik kontrollerini yapmak.






3D CAD Bilgisayar Destekli Tasarım (Solidworks) | 03
SolidWorks Ders İçeriği | 03
3D Mekanik CAD programında çizim oluşturabilme, katı modelleme , yüzey modelleme , saç parça modelleme yapabilme, parçaları birleştirerek montaj yapabilme , montajı çalıştırma, parçaların ve montajın teknik resimlerini oluşturabilme.




2D CAD Bilgisayar Destekli Çizim (AutoCAD) | 04
2D CAD Bilgisayar Destekli Çizim (AutoCAD) | 04
AutoCAD Ders İçeriği | 04
İki boyutlu Makine Teknik Resimlerini bilgisayar yardımıyla çizebilmek. Teknik Resim Dersinde gösterilmiş çizim metotarını AutoCAD yazlımı ile yapabilme becerisi kazandırılır.










2D CAD Bilgisayar Destekli Çizim (AutoCAD) | 04
CAM Bilgisayar Destekli İmalat (SolidCAM, MasterCAM) | 05
SolidCAM Ders İçeriği | 05
Makine teknikerleri için gerekli olan CNC programlamayı bir CAM yazılımı yardımıyla yapabilmesini sağlamaktır. SoligWorks ile entegre çalışabilen SolidCAM yazılımı eğitimi verilmektedir.






2D CAD Bilgisayar Destekli Çizim (AutoCAD) | 04
CNC Torna Teknolojisi;
Fanuc Kontrol Ünitesi | 06
CNC Torna Programlama Ders İçeriği | 06
Makine teknikerleri için gerekli olan CNC programlamayı ve CNC tezgâhlarını işletmeyi öğreterek öğrencileri iş hayatına hazırlamaktır. CNC Programlayı ISO CNC Kodlama Sistemi doğrultusunda FANUC OiT tezgaha göre yapabilme becerisi kazandırılmaktadır.






CNC Freze Teknolojisi;
Fanuc Kontrol Ünitesi | 07
CNC Freze Programlama Ders İçeriği | 07
Makine teknikerleri için gerekli olan CNC programlamayı ve CNC tezgâhlarını işletmeyi öğreterek öğrencileri iş hayatına hazırlamaktır. CNC Programlayı ISO CNC Kodlama Sistemi doğrultusunda FANUC OiT tezgaha göre yapabilme becerisi kazandırılmaktadır.